8 (800) 770-77-91
8 (846) 205-00-31
8 (846) 205-00-32
8 (846) 000-00-00
443001, Самара г, Садовая ул, д. 313

Тензодатчики

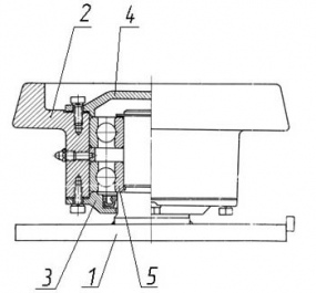
Вал грузовой ДС117-2К 41.07.010
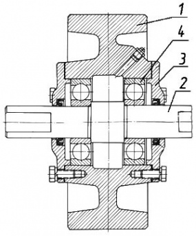
Вал натяжной ДС117-2К 41.02.010
Тензорезисторный датчик БП-05 имеет S-образную форму, чувствительный кольцеобразный элемент изгиба (патент РФ на изобретение № 2308010) и отличается высокой чувствительностью и линейностью измерений.
Система пылеочистки ДС-185 31.00.000Ч
Система пылеочистки ДС-185 30.00.000Ч
Установка сушильного барабана ДС-185 23.00.000
Барабан ДС-158 21.01.010
Ролик опорный Д588 01.05.000
Ролик упорный Д588 01.06.000
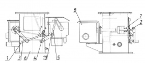
Топка ДС-185 23.06.190
Горелка ДС-185 23.06.710
Ствол ДС-185 23.06.750
Узел регулирования ДС-18561 20.07.750
Запальник ДС-168 45.02.150
Установка вентилятора ДС-185 20.09.000
Затвор в сборе Д620 03.03.000
Агрегат мокрой газоочистки ДС-185 27.00.000Ч
Агрегат мокрой газоочистки ДС-185 26.00.000Ч
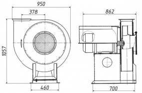
Установка дымососа ДС-185 20.05.000
Дымосос ДС-185 20.05.010
Выполненные проекты
Более 500 систем в рф и снг
100% соответствие проекту
Система лояльности
Цены ниже рыночных на 20-30%
Более 100 собственных решений
Он-лайн наблюдение за проектом
Остались вопросы?

Расчет по проекту от 1 дня
Соблюдение сроков поставки
Кредит лизинг отсрочка
Расширенная гарантия 2-5 лет
Отсрочка платежа 55 дней
Принцип работы единого окна