|
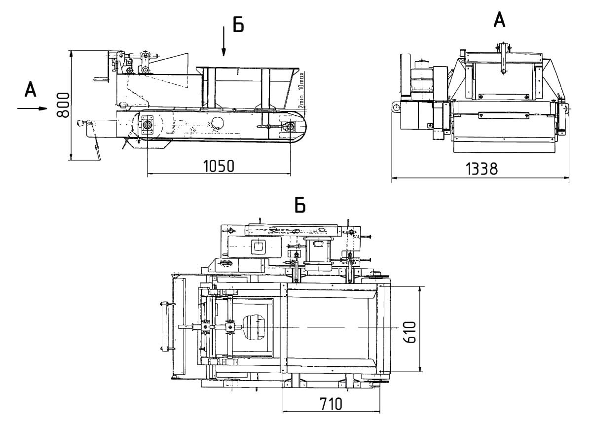
ДС-185 10.01.200 Питатель (4 шт. на комплект). |
|||||||
|
Поз. |
Обозначение |
Наименование |
Масса 1шт. кг |
Габариты, мм (длина, ширина, высота) |
Кол-во на изделие |
Примечание |
|
|
ДС-185 |
ДС-158 |
||||||
|
1. |
ДС-185 10.01.250 |
Барабан натяжной |
39,5 |
844ר216 |
1 |
- |
|
|
2. |
ДС-185 10.01.280 |
Барабан приводной |
37 |
913,5ר216 |
1 |
- |
см. раскрытие |
|
3.
|
ДС-185 10.01.310
|
Двигатель входит: |
15,1
|
297×240×218
|
1
|
-
|
|
|
|
ДС-185/332390124 |
Двигатель |
|
|
1 |
- |
|
|
|
ДС-185.10.01.311 |
Шкив |
2,7 |
50ר133 |
1 |
- |
|
|
4. |
ДС-185 10.01.320 |
Редуктор |
27,3 |
400×301×230 |
1 |
- |
|
|
|
|
входит: |
|
|
|
|
|
|
|
ДС-185/417113061 |
Редуктор |
|
|
1 |
- |
|
|
|
ДС-185 10.01.321 |
Шкив |
6,5 |
25ר276 |
1 |
- |
|
|
|
ДС-185 10.01.322 |
Звёздочка |
0,8 |
58ר83,3 |
1 |
- |
|
|
5. |
ДС-185 10.01.620 |
Заслонка |
12,4 |
534×250×430 |
1 |
- |
питателя |
|
6. |
ДС-185 10.01.650 |
Винт |
5 |
445×60×220 |
1 |
- |
|
|
7.
|
ДС-185 10.01.750
|
Звёздочка (на приводном барабане) |
8,9
|
45ר279
|
1
|
-
|
|
|
8. |
ДС-185 10.01.760 |
Опора |
2,2 |
180×70×185 |
4 |
- |
транспортные |
|
9.
|
ДС 117-2К 20.02.290 код 142008026 |
Цепь Цепь Пр-25,4-6000 (48зв) |
3
|
L=1193
|
1
|
-
|
|
|
10. |
ДС-185 10.01.201 |
Лента питателя |
13 |
Lпо кольцу=2800×650 |
1 |
- |
|
|
|
ДС-185 10.01.201П2 |
Лента питателя |
|
Lпо кольцу=2500×650 |
1 |
1 |
Для питателя П2 |
|
11. |
ДС-185/342831404 |
Выключатель ВП15 |
|
|
1 |
- |
|
|
12. |
ДС-185/256311241 |
Ремень |
|
|
2 |
- |
|
|
13. |
ДС-185 10.01.450 |
Плита |
15 |
993×285 |
1 |
- |
|

Замена системы управления на АБЗ Bennighoven MBA 2000
Год: 2023

Асфальтный завод в городе Енисейск
Осуществлена модернизация перевод на 5 фракций.
Установлен агрегат целлюлозной добавки.
Год 2023

Асфальтный завод ДС-185 в городе Ухта.
Полное обновление абз с его сборкой на новой площадке. Поднята производительность до 60т/ч в летний период и 40т/ч в осенне/ весенний период. Установлены - полностью новая башня, агрегат питания, горелка 6.2мвт, агрегат целлюлозной добавки, минерального порошка, адгезионная добавка
Год 2023.

Силами компании ВесПро проведена капитальная реконтрукция АБЗ в г. Саратов. Нами была произведены замены: сушильного агрегата целиком, агрегат питания, система пылеочистки, блока грохота на 6 фракций с бункером горячих материалов.
Год 2024.

Проведены работы по замене грохота, бункера горячих материалов и весов на 1000кг.
Завод переведен на работу с шестью фракциями.
Год: 2024

Замена системы управления на АБЗ УДМ-120
Год: 2023

Замена системы управления на АБЗ Marini TopTower 2000
Год: 2023

Замена системы управления на АБЗ ДС-185
Год: 2023